Zum Hauptinhalt springen Zur Suche springen Zur Hauptnavigation springen
Zum Formular:
Angebot anfordern
Unsere Hotline:
+49 3933 9099 850

DEHNcube YPV SCI 1000 1M - 900910

Art-Nr.: 23527

Produktinformationen "DEHNcube YPV SCI 1000 1M - 900910"

DEHNcube DCU YPV SCI 1000 1M für 1-MPP-Tracker - Überspannungsableiter Typ2 im Isolierstoffgehäuse IP65 schützt Photovoltaikanlagen vor Überspannungsschäden – kompakte, flexible Einheit ist besonders schnell installiert

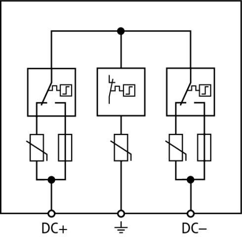
Mehrpoliger Überspannungs-Ableiter DEHNcube YPV SCI 1000 1M in Schutzart IP65. Typ 2 nach EN 50539-11 zum Schutz von 1 MPP-Eingang. Dreistufige DC-Schaltvorrichtung mit kombinierter Abtrenn- und Kurzschließvorrichtung mit sicherer elektrischer Trennung verhindert Brandschäden infolge DC-Schaltlichtbögen. Zum Schutz von Niederspannungs-Verbraucheranlagen vor Überspannungen. Zum Einsatz gemäß DIN IEC 60364-7-712:2011-04 (Errichten von Photovoltaik-Versorgungssystemen).

  • Überspannungs-Ableiter DEHNcube YPV SCI 1000 1M
  • Mehrpoliger Photovoltaik-Ableiter bis 1000 V DC
  • zum Schutz von 1 MPP Eingang in Schutzart IP65
  • Defektanzeige
  • Typ 2 nach EN 50539-11 mit 3-stufiger DC-Schalteinrichtung
  • Einsetzbar gemäß IEC 60364-7-712 
  • Maximale PV-Spannung: <= 1000 V dc
  • Nennableitstoßstrom: (8/20) 12,5 kA
  • Gesamtableitstoßstrom: (8/20) 40 kA
  • Schutzpegel: <= 4 kV
  • Kurzschlussfestigkeit Iscpv: 1000 A 
  • Abmessung: 94 x 94 x 81 mm
  • Kabeleinführung: 3x Ø3-7 mm

Photovoltaikanlagen sind vielfältigen äußeren Einflüssen ausgesetzt. Die häufigsten Schadensursachen, die bei Versicherungen eingereicht werden, sind Überspannungsschäden. Um Anlagen vor diesen Schäden zu bewahren, ist ein zuverlässiger Überspannungsschutz notwendig. Bei der Montage steht der Installateur jedoch oft vor dem Problem, dass kein Isolierstoffgehäuse für den Einbau eines Hutschienengerätes vorhanden ist und auch der Einbau in den Wechselrichter nicht möglich ist.

Die ideale Lösung: DEHNcube YPV SCI

Der Überspannungsableiter ist kompakt sowie leicht zu montieren und ist daher schnell und flexibel einsetzbar. Ein zusätzliches Isolierstoffgehäuse ist nicht erforderlich. DEHNcube YPV SCI in Schutzart IP65 kann darüber hinaus im geschützten Außenbereich installiert werden. DEHNcube YPV SCI ist bis zu einer maximalen PV-Spannung UCPV < 1000 V einsetzbar und in zwei Varianten – 1 MPPT und 2 MPPT – erhältlich. Aufgrund der bewährten SCI-Technologie mit integrierter Gleichstromsicherung im Kurzschlusspfad kann DEHNcube in PV-Anlagen bis ISCPV = 1000 A vorsicherungsfrei verwendet werden.

  • Schutzart IP65
  • einzigartige SCI-Technologie
  • Gesamtableitstoßstrom (8/20) Itotal = 40 kA
  • tiefer Schutzpegel UP < 4 kV
  • Kurzschlussfestigkeit ISCPV = 1000 A (vorsicherungsfrei)
  • maximaler Anschlussquerschnitt 6 mm2 (ein- / feindrähtig)
  • bewährte fehlerresistente Y-Schaltung vermeidet eine Schädigung des Überspannungsschutzes bei Isolationsfehlern im Generatorkreis
  • standardmäßig integriertes Druckausgleichselement verhindert Kondenswasserbildung
  • Ausführung für 1 MPP- und 2 MPP-Tracker verfügbar

Ein ausführliches Datenblatt des DEHNcube finden Sie unten auf dieser Seite zum Download

Schutz-Seite: DC-Schutz
Hersteller: Dehn

DEHN

DEHN ist ein führendes, international tätiges Familien­unternehmen der Elektrotechnik mit Sitz in Neumarkt i.d. Oberpfalz. Mit einem umfassenden Portfolio adressiert DEHN die Megatrends unserer Zeit – von Elektromobilität, über erneuerbare Energien bis hin zum Schutz kritischer Infrastruktur. Denn Energie- und Datennetze der Zukunft können nur mit entsprechenden Schutzlösungen zuverlässig funktionieren. DEHN bietet diese Lösungen.

DEHN SE
Hans-Dehn-Straße 1
92318 Neumarkt
Deutschland

Servicekontakt des Herstellers: technik.support@dehn.de
Webseite des Herstellers: https://www.dehn.de/de

1 von 1 Bewertungen

Durchschnittliche Bewertung von 5 von 5 Sternen


100%

0%

0%

0%

0%


Bewerten Sie dieses Produkt!

Teilen Sie Ihre Erfahrungen mit anderen Kunden.


1 Bewertung

5. März 2020 09:30

Bewertung mit 5 von 5 Sternen

Qualität von Dehn

Der Dehn Cube ist klein und handlich. Beim Blitzschutz vertraue ich seit Jahren auf Dehn Produkte und bin nie enttäuscht worden. Die Lieferung von photovoltaik4all war wie immer schnell und einwandfrei. Insgesamt alles sehr empfehlenswert.

Zubehör

Auf Lager

Ähnliche Artikel

Auf Lager
Auf Lager
Auf Lager
PV4all Tipp
Loading…
Loading the web debug toolbar…
Attempt #